超凡软件站

16s401图集免费下载-16s401管道保温图集下载免费版

  • 发布时间:
  • 推荐指数: ★★★★★

软件介绍

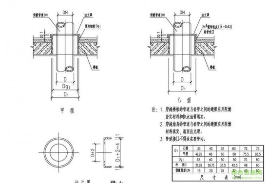
免费的16s401图集提供了管道保温设计规范的详细说明,允许相关企业在管道保温设计过程中严格遵守该标准,并有非常严格的规定!

16s401图集介绍

国家建筑标准设计图集为修编图集,替代03S401《管道和设备保温、防结露及电伴热》。适用于一般工业及民用建筑室内(含地沟)给排水管道和设备的热水保温、冷水防结露、热水电伴热保温及冷水电伴热防冻工程;还适用于室内外太阳能热媒管道的保温及室外太阳能热媒管道的防冻。

16s401图集免费下载-16s401管道保温图集下载免费版-第1张图片

适用范围

本图集为施工安装图集,可用于指导、规范施工和安装,设计人员可直接选用,施工人员可照图施工。

特色介绍

主要内容包括:绝热材料性能表、全国各地气象参数表、金属管道保温厚度表、塑料管道保温厚度表、室外太阳能热媒管道保温厚度表、金属设备保温厚度表、管道及设备防结露厚度表;管道及设备防结露、保温工程做法;管道及设备电伴热工程做法。

相关链接

热门下载